 |
產品分類 |
 |
|
|
|
 |
|
首頁 - 產品展廳 - 產品介紹 |
|
 |
 |
|
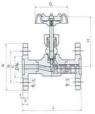
法蘭針型閥
上海代益閥門專業生產法蘭針型閥,不銹鋼法蘭針型閥,鑄鋼法蘭針型閥,鑄鐵法蘭針型閥,J43W法蘭針型閥。 J43W/H型法蘭針型閥的詳細資料: |
|
43W/H法蘭針型閥
一、J43W/H法蘭針型閥產品圖片及性能規范:

二、J43W/H法蘭針型閥試驗標準: (單位Unit:MPa)
|
試驗項目 TESTITEM |
壓力值 PRESSURE VALVE |
|
公稱壓力 Nominal Pressure |
2.5 |
|
殼體試驗 Shell Test |
3.7 |
|
密封試驗 Test |
2.75 |
|
氣壓試驗 Air Pressure Test |
0.9 |
|
適用溫度 Suitable Temperatue |
≤180℃ |
|
適用介質 Suitable Medium |
水、蒸汽、油品等Water,Steam,Oilgoods |
|
型號 TYPE |
閥體 BODY |
接頭 TIE-IN |
閥桿 VALVE HANDLE |
螺帽 SCREW CAP |
填料 PACKING |
|
J48H-25 |
20# |
20# |
2Cr13 |
20# |
柔性石墨、四氟 Leslble graphite |
|
J48W-25P |
304SS |
304SS |
304SS |
304SS |
柔性石墨、四氟 Leslble graphite |
|
J48W-25R |
316SS |
316SS |
316SS |
316SS |
柔性石墨、四氟 Leslble graphite | | |
|
|
|