 |
產品分類 |
 |
|
|
|
 |
|
首頁 - 產品展廳 - 產品介紹 |
|
 |
 |
|
三通旋塞閥 不銹鋼三通旋塞閥
上海代益閥門專業生產三通旋塞閥旋塞閥,不銹鋼三通旋塞閥,法蘭三通不銹鋼旋塞閥,鑄鋼三通旋塞閥,X44W三通不銹鋼旋塞閥。
三通不銹鋼旋塞閥 X44W-1.0P/R
三通不銹鋼旋塞閥的詳細資料:X44W、X44T三通法蘭旋塞閥通過壓緊填料,使塞子和塞體密封面壓緊,密封等級較高,大量用于中、低壓管路。閥體材質有鑄鐵、鑄鋼、不銹鋼、銅等可適應不同管路情況。
| 詳細說明 |
主要性能規范
|
型號 |
公稱壓力 PN(MPa) |
試驗壓力PS(MPa) |
適用介質 |
工作溫度(℃) |
|
殼體 |
密封 |
|
X44W-1.0P |
1.0 |
1.5 |
1.1 |
硝酸類 |
≤250 |
|
X44W-1.0R |
1.0 |
1.5 |
1.1 |
醋酸類 |
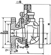
≤250 | 主要尺寸
|
公稱壓力 PN(MPa) |
公稱通徑 DN(mm) |
尺寸(mm) |
|
L |
D |
D1 |
D2 |
z-φd |
□s |
h |
H |
|
1.0 |
25 |
145 |
115 |
85 |
56 |
4╳φ14 |
17 |
38 |
133 |
|
32 |
170 |
135 |
100 |
78 |
4╳φ18 |
18 |
45 |
152 |
|
40 |
180 |
145 |
110 |
85 |
4╳φ18 |
24 |
55 |
212 |
|
50 |
200 |
160 |
125 |
100 |
4╳φ18 |
28 |
74 |
260 |
|
65 |
220 |
180 |
145 |
120 |
4╳φ18 |
32 |
82 |
295 |
|
80 |
250 |
195 |
160 |
135 |
4╳φ18 |
40 |
95 |
327 |
|
100 |
300 |
215 |
180 |
155 |
8╳φ18 |
45 |
135 |
425 |
|
125 |
350 |
245 |
210 |
185 |
8╳φ18 |
54 |
154 |
482 |
|
150 |
400 |
280 |
240 |
210 |
|
零件名稱 |
閥體 |
塞子 |
填料壓蓋 |
填料 |
|
X44W-1.0P |
鉻鎳鈦不銹鋼 |
鉻鎳鈦不銹鋼 |
鉻鎳鈦不銹鋼 |
柔性石墨 油浸石棉盤根 |
|
X44W-1.0R |
鉻鎳鈦不銹鋼 |
鉻鎳鉬鈦不銹鋼 |
鉻鎳鉬鈦不銹鋼 | 8╳φ23 |
62 |
172 |
512 |
|
200 |
450 |
335 |
295 |
265 |
8╳φ23 |
75 |
195 |
605 |
|
250 |
530 |
390 |
350 |
320 |
8╳φ23 |
85 |
230 |
660 |
|
300 |
580 |
440 |
400 |
368 |
8╳φ23 |
100 |
263 |
760 | 主要材料
| |
|
|
|